熱線:021-66110810,66110819
手機:13564362870

熱線:021-66110810,66110819
手機:13564362870
臨盤油田油水系統復雜,注入水既有淡水也有污水,地層水礦化度變化比較復雜。儲層注水后,產層的流體性質、孔隙結構、巖石物理化學特性以及油氣水分布規律等都會發生一定程度的變化,導致水淹層的識別難度增加;如何應用常規測井手段有效識別水淹層成為該區亟待解決的生產難題。通過幾年的科研、生產研究,對變化所引起的測井特征進行充分挖掘,利用微電極方法手段;結果表明,該類方法基本能起到定性識別水淹層的效果。
在一般情況下,微梯度受泥餅影響較大,而微電位受沖洗帶影響較大,因而在滲透層出現明顯的幅度差。在注水過程中,會形成局部高壓,高壓水流在油層中推進,油粘度大,不易驅動,高壓水流會沿滲透性最好的層位快速向周圍推進,形成水流通道,儲層中的油不能被驅出,水淹后還有絕大部分油殘留,無法采出。
當在高壓水流推進到的油層中鉆井時,儲層內壓力高,由于高壓注水形成的水流通道變成泄壓通道,水流通道沒有泥漿侵入,泥餅減小或不易形成泥餅。微電極曲線就表現為微梯度和微電位局部重合或幅度差局部減小,我們可由此判斷該油層被水淹,微電極幅度減小的部位就是水淹的部位,沒有幅度差微電位和微梯度曲線重合的地方就是水淹通道。
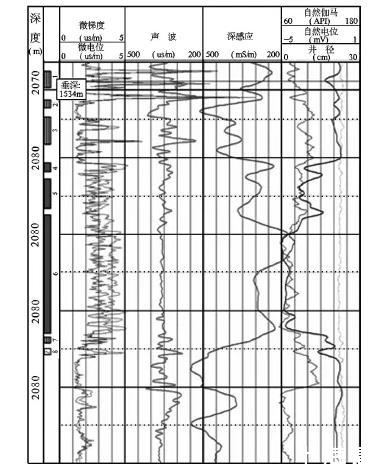
圖1為臨95-斜31井測井曲線圖,該井3358~3392m儲層中微電極曲線在3367m處有0.5m左右的重合段,可見在此處沒有形成泥餅,由此可判斷是注水引起的,所以該層解釋為強水淹層。該井2012年1月投產沙二段3358.0~3368.0m、3380.0~3386.8m兩段(圖1),日油0.5t,日水50.4t,含水99%,投產結論與解釋結論相符。
圖1臨95-斜31井曲線特征圖
圖2盤80-斜1井曲線特征圖
圖3盤80-斜10側井曲線特征圖
微電極曲線局部重合或成直線認為是強水淹的特征,伴有電阻率急劇降低(排除泥質夾層影響);盡管整體電阻率絕對值相對較高,投產也會高含水。